ماژول لیزر 1653.7 نانومتری با قدرت بالا از ساختاری مسطح با تراشه روی حامل فرعی بهره میبرد. بالا تراشه پاور در یک بسته پروانه ای 14 پین بدون اپوکسی و بدون شار مهر و موم شده است و مجهز به یک ترمیستور، خنک کننده ترموالکتریک و دیود مانیتور برای تضمین عملکرد لیزر با کیفیت بالا. دیود لیزری 1653 نانومتری 40 میلیواتی BTF برای تشخیص گاز متان دارای واجد شرایط Telcordia GR-468 و مطابق با دستورالعملهای RoHS است.
ماژول لیزر 1653.7 نانومتری با قدرت بالا از ساختاری مسطح با تراشه روی حامل فرعی بهره میبرد. تراشه با قدرت بالا در بسته بندی پروانه ای 14 پین بدون اپوکسی و بدون شار مهر و موم شده است و به ترمیستور، خنک کننده ترموالکتریک و دیود مانیتور مجهز شده است تا عملکرد لیزر با کیفیت بالا را تضمین کند. محصولات لیزری ما دارای واجد شرایط Telcordia GR-468 و مطابق با دستورالعملهای RoHS هستند.
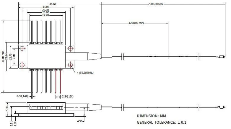
● بسته پروانه 14 پین استاندارد صنعتی.
● TEC داخلی و ایزولاتور نوری.
● لیزر با عملکرد بالا، چاه چند کوانتومی (MQW) بازخورد توزیع شده (DFB).
● آزمایش تولید قطعات غیرفعال برای تشخیص گاز.
● سیستم تشخیص گاز فیبر؛
● منابع لیزری.
| پارامتر | نماد | وضعیت | حداقل | تایپ کنید | حداکثر | واحد |
| طول موج مرکز | ال سی | Tl = 15 ~ 35 ℃ qu | 1652.7 | 1653.7 | 1654.7 | نانومتر |
| توان خروجی نوری | بعد از | CW | - | 40 | - | میلی وات |
| جریان آستانه LD | ITH | CW | - | 15 | 40 | mA |
| LD جریان رو به جلو | اگر | Pf = توان نامی | - | 300 | 400 | mA |
| جداسازی نوری | - | -10 < TC < +70 ℃ | 30 | - | - | دسی بل |
| نسبت سرکوب حالت جانبی | SMSR | CW | 35 | 40 | - | دسی بل |
| نظارت بر پاسخگویی | واکسیناسیون | - | - | 1 | 20 | / mw بود |
| پایش پایداری پاسخگویی | - | - | - | - | 20% | - |
| نظارت بر جریان تاریک | شناسه | VPD = 5 ولت | - | - | 50 | nA |
| جریان TEC | ITEC | Tcase = 75 ℃ | - | - | 2 | A |
| TEC ولتاژ | VTEC | Tcase = 75 ℃ | - | - | 3.5 | V |
| مصرف برق TEC | P | Tstg = 25 ℃ | - | - | 5 | W |
| مقاومت ترمیستور | Rth | Tcase = 75 ℃ | 9.5 | 10 | 10.5 | کوهم |
| ترمیستور B ثابت | Bth | Tstg = 25 ℃ | - | 3900 | - | K |
| رانش طول موج (EOL) | △λ | بیش از 25 سال عمر تست شده است | - | - | 0.1 ± | نانومتر |
| موج. ضریب دما | DL/Dt | دمای TEC در 15 ℃ تا 35 ℃ | - | 0.09 | - | نانومتر/℃ |
| طول موج ضریب جریان | DL/DI | - | - | 0.01 | - | NM / در |

همه محصولات قبل از ارسال تست شده اند.
تمامی محصولات دارای 1 سال گارانتی هستند.
ما از کسب و کار شما قدردانی می کنیم و یک خط مشی بازگشت فوری 7 روزه ارائه می دهیم. (7 روز پس از دریافت اقلام)؛
اگر اقلامی که از فروشگاه ما خریداری می کنید کیفیت کاملی ندارند، یعنی به صورت الکترونیکی مطابق با مشخصات سازنده کار نمی کنند، به سادگی آنها را برای تعویض یا بازپرداخت به ما بازگردانید.
اگر اقلام معیوب هستند، لطفا ظرف 3 روز پس از تحویل به ما اطلاع دهید.
هر کالایی باید در شرایط اولیه خود بازگردانده شود تا واجد شرایط بازپرداخت یا جایگزینی باشد.
مسئولیت کلیه هزینه های حمل و نقل به عهده خریدار می باشد.
س: دقت طول موج چقدر است؟
A: +/-0.5 نانومتر.
س: آیا نسخه های دیگری از توان خروجی دارید؟
A: 10mW، 15mW، 50mW.
مونتاژ لیزر قابل تنظیم یکپارچه با پهنای خط باریک C ITLA
دیود لیزری پروانه ای با پهنای خط باریک 1550 نانومتری 40 میلی وات 200 کیلوهرتز
1550nm 40mW 600Khz DFB Butterfly Package Diode لیزر با عرض خط باریک
دیود لیزر پروانه ای با پهنای خط باریک 1550 نانومتری 50 میلی وات 100 کیلوهرتز
دیود لیزر کواکسیال با پهنای خط باریک 1550 نانومتری 2 میلی وات 5 میلی وات
1550nm 100mw 100khz خطوط باریک DFB Diode Diode BTF با فیبر SM/PMکپی رایت @ 2020 شرکت فناوری Optronics Box Box Box ، آموزشی ویبولیتین - ماژول های فیبر نوری چین ، تولید کنندگان لیزرهای همراه با فیبر ، تأمین کنندگان اجزای لیزر کلیه حقوق محفوظ است.