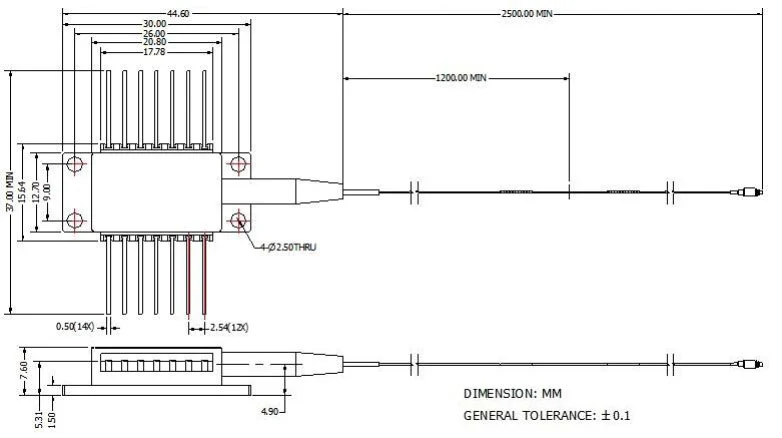
دیود لیزری 1653 نانومتری 40 میلیواتی DFB برای سنسور متان CH4 Sensing از ساختاری مسطح با تراشه روی حامل فرعی استفاده میکند. تراشه با قدرت بالا در بسته بندی پروانه ای 14 پین بدون اپوکسی و بدون شار مهر و موم شده است و به ترمیستور، خنک کننده ترموالکتریک و دیود مانیتور مجهز شده است تا عملکرد لیزر با کیفیت بالا را تضمین کند. محصولات لیزری ما دارای واجد شرایط Telcordia GR-468 و مطابق با دستورالعملهای RoHS هستند.
دیود لیزری 1653 نانومتری 40 میلیواتی DFB برای سنسور متان CH4 Sensing از ساختاری مسطح با تراشه روی حامل فرعی استفاده میکند. تراشه با قدرت بالا در بسته بندی پروانه ای 14 پین بدون اپوکسی و بدون شار مهر و موم شده است و به ترمیستور، خنک کننده ترموالکتریک و دیود مانیتور مجهز شده است تا عملکرد لیزر با کیفیت بالا را تضمین کند. محصولات لیزری ما دارای واجد شرایط Telcordia GR-468 و مطابق با دستورالعملهای RoHS هستند.
بسته پروانه 14 پین استاندارد صنعتی؛
TEC داخلی و ایزولاتور نوری؛
لیزر با عملکرد بالا، چاه چند کوانتومی (MQW) بازخورد توزیع شده (DFB).
تست تولید اجزای غیرفعال برای تشخیص گاز.
سیستم تشخیص گاز فیبر؛
منابع لیزری
| پارامتر | نماد | وضعیت | حداقل | تایپ کنید | حداکثر | واحد |
| طول موج مرکز | λc | TL=15 تا 35 ℃ CW | 1652.7 | 1653.7 | 1654.7 | نانومتر |
| توان خروجی نوری | پو | CW | - | 40 | - | میلی وات |
| جریان آستانه LD | ITH | CW | - | 15 | 40 | mA |
| LD جریان رو به جلو | اگر | Pf = توان نامی | - | 300 | 400 | mA |
| جداسازی نوری | - | -10 < TC < +70 ℃ | 30 | - | - | دسی بل |
| نسبت سرکوب حالت جانبی | SMSR | CW | 35 | 40 | - | دسی بل |
| نظارت بر پاسخگویی | Im /Pf | - | - | 1 | 20 | uA/mW |
| پایش پایداری پاسخگویی | - | - | - | - | 20% | - |
| نظارت بر جریان تاریک | شناسه | VPD = 5 ولت | - | - | 50 | nA |
| جریان TEC | ITEC | Tcase = 75 ℃ | - | - | 2 | A |
| ولتاژ TEC | VTEC | Tcase = 75 ℃ | - | - | 3.5 | V |
| مصرف برق TEC | P | Tstg = 25 ℃ | - | - | 5 | W |
| مقاومت ترمیستور | Rth | Tcase = 75 ℃ | 9.5 | 10 | 10.5 | کوهم |
| ترمیستور B ثابت | Bth | Tstg = 25 ℃ | - | 3900 | - | K |
| رانش طول موج (EOL) | △λ | بیش از 25 سال عمر تست شده است | - | - | 0.1 ± | نانومتر |
| موج. ضریب دما | Δλ/ΔT | دمای TEC در 15 ℃ تا 35 ℃ | - | 0.09 | - | نانومتر/℃ |
| طول موج ضریب جریان | Δλ/ΔΙ | - | - | 0.01 | - | nm/mA |

همه محصولات قبل از ارسال تست شده اند.
همه محصولات دارای 1-3 سال گارانتی هستند. (پس از دوره تضمین کیفیت شروع به دریافت هزینه خدمات نگهداری مناسب می شود.
ما از کسب و کار شما قدردانی می کنیم و یک خط مشی بازگشت فوری 7 روزه ارائه می دهیم. (7 روز پس از دریافت اقلام)؛
اگر اقلامی که از فروشگاه ما خریداری می کنید کیفیت کاملی ندارند، یعنی به صورت الکترونیکی مطابق با مشخصات سازنده کار نمی کنند، به سادگی آنها را برای تعویض یا بازپرداخت به ما بازگردانید.
اگر اقلام معیوب هستند، لطفا ظرف 3 روز پس از تحویل به ما اطلاع دهید.
هر کالایی باید در شرایط اولیه خود بازگردانده شود تا واجد شرایط بازپرداخت یا جایگزینی باشد.
مسئولیت کلیه هزینه های حمل و نقل به عهده خریدار می باشد.
س: دقت طول موج چقدر است؟
A: +/-0.5 نانومتر.
س: آیا نسخه های دیگری از توان خروجی دارید؟
A: 10mW، 15mW، 50mW.
لیزر پروانه ای 1512 نانومتری 10 میلی واتی DFB 14 پین برای سنجش NH3
دیود لیزری پروانه ای 1392 نانومتری DFB برای سنجش رطوبت H2O
دیود لیزری پروانه ای 1653 نانومتری DFB برای تشخیص CH4
دیود لیزری پروانه ای 1567 نانومتری DFB برای سنجش CO
دیود لیزری 1578 نانومتری 10 میلیواتی DFB برای تشخیص سولفید هیدروژن
دیود لیزری پروانه ای 1580 نانومتری DFB برای تشخیص CO2حق چاپ @ 2020 Shenzhen Box Optronics Technology Co., Ltd. - چین ماژول های فیبر نوری، تولید کنندگان لیزرهای جفت فیبر، تامین کنندگان اجزای لیزر کلیه حقوق محفوظ است.