لیزر BTF سبز دیود جفت فیبر 520 نانومتری FP
  • لیزر BTF سبز دیود جفت فیبر 520 نانومتری FP لیزر BTF سبز دیود جفت فیبر 520 نانومتری FP
  • لیزر BTF سبز دیود جفت فیبر 520 نانومتری FP لیزر BTF سبز دیود جفت فیبر 520 نانومتری FP
  • لیزر BTF سبز دیود جفت فیبر 520 نانومتری FP لیزر BTF سبز دیود جفت فیبر 520 نانومتری FP
  • لیزر BTF سبز دیود جفت فیبر 520 نانومتری FP لیزر BTF سبز دیود جفت فیبر 520 نانومتری FP

لیزر BTF سبز دیود جفت فیبر 520 نانومتری FP

لیزر BTF سبز دیود جفت شده با فیبر 520 نانومتری از ساختار دیود 14 پین استفاده می کند و می تواند در حالت موج پیوسته (CW) به طور پایدار کار کند. این دستگاه لیزری با کارایی بالا با توان خروجی 30 میلی وات است. برای ابزار نوری و منبع نور مناسب است.

ارسال استعلام

توضیحات محصول

لیزر BTF سبز دیود جفت شده با فیبر 520 نانومتری از ساختار دیود 14 پین استفاده می کند و می تواند در حالت موج پیوسته (CW) به طور پایدار کار کند. این دستگاه لیزری با کارایی بالا با توان خروجی 30 میلی وات است. برای ابزار نوری و منبع نور مناسب است.


ویژگی های لیزر BTF سبز دیود جفت فیبر 520 نانومتری FP

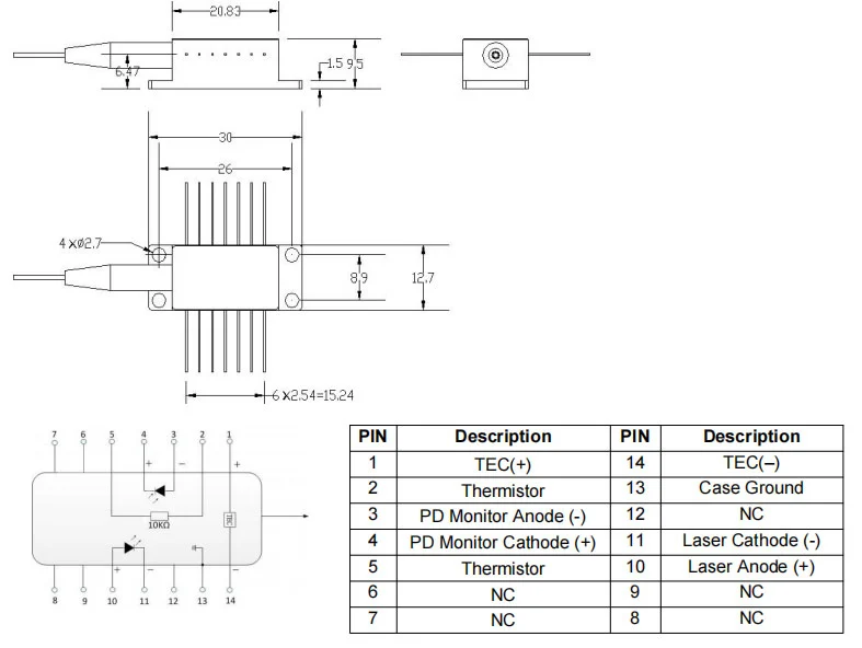
بسته پروانه 14 پین;

ترمیستور داخلی و TEC؛

نوع فیبر می تواند فیبر SM-460HP یا PM-S460-HP باشد.

دمای عملیاتی: -10 ~ 60 ℃.


کاربردهای لیزر BTF سبز دیود جفت فیبر 520 نانومتری FP

ابزار نوری؛

منبع نور.


ویژگی های الکترواپتیکال (T=25℃):

پارامتر نماد وضعیت حداقل تایپ کنید حداکثر واحد
طول موج مرکز λc CW، 25 ℃ 515 520 530 نانومتر
توان خروجی نوری PF - 30 - - میلی وات
جریان آستانه ITH 25 درجه سانتیگراد - 90 95 mA
جریان عملیاتی IOP CW - 270 320 mA
ولتاژ کاری VOP 25 درجه سانتیگراد - 1.1 2.0 V
نظارت بر جریان IMON VRM=5V 50 - 1500 uA
MPD جریان تاریک شناسه VRM=5V - - 50 uA
مقاومت ترمیستور RTH 25 درجه سانتیگراد 9.5 10 10.5
ترمیستور B-value β 25 ℃ / 80 ℃ - 3950 - K


طراحی بسته و تعریف PIN-OUT (واحد: میلی متر)

520nm Fp Fiber Coupled Diode Green Btf Laser


تحویل، حمل و نقل و خدمات

همه محصولات قبل از ارسال تست شده اند.

همه محصولات دارای 1-3 سال گارانتی هستند. (پس از دوره تضمین کیفیت شروع به دریافت هزینه خدمات نگهداری مناسب می شود.

ما از کسب و کار شما قدردانی می کنیم و یک خط مشی بازگشت فوری 7 روزه ارائه می دهیم. (7 روز پس از دریافت اقلام)؛

اگر اقلامی که از فروشگاه ما خریداری می کنید کیفیت کاملی ندارند، یعنی به صورت الکترونیکی مطابق با مشخصات سازنده کار نمی کنند، به سادگی آنها را برای تعویض یا بازپرداخت به ما بازگردانید.

اگر اقلام معیوب هستند، لطفا ظرف 3 روز پس از تحویل به ما اطلاع دهید.

هر کالایی باید در شرایط اولیه خود بازگردانده شود تا واجد شرایط بازپرداخت یا جایگزینی باشد.

مسئولیت کلیه هزینه های حمل و نقل به عهده خریدار می باشد.


520nm Fp Fiber Coupled Diode Green Btf Laser


سوالات متداول

س: چه الیاف پیگتیل موجود است؟

A: فیبر SM-460HP یا PM-S460-HP.


س: آیا لیزر FP با طول موج دیگری دارید؟

پاسخ: بله، 488 نانومتر / 520 نانومتر / 532 نانومتر / 660 نانومتر / 850 نانومتر / 1064 نانومتر ... لطفا برای جزئیات بیشتر با ما تماس بگیرید.


تگ های داغ: لیزر BTF سبز دیود فیبر جفت شده 520 نانومتری FP، تولید کنندگان، تامین کنندگان، عمده فروشی، کارخانه، سفارشی، عمده، چین، ساخت چین، ارزان، قیمت پایین، کیفیت

دسته بندی مرتبط

ارسال استعلام

لطفاً درخواست خود را در فرم زیر ارائه دهید. ما ظرف 24 ساعت به شما پاسخ خواهیم داد.
X
ما از کوکی ها استفاده می کنیم تا تجربه مرور بهتری به شما ارائه دهیم، ترافیک سایت را تجزیه و تحلیل کنیم و محتوا را شخصی سازی کنیم. با استفاده از این سایت، شما با استفاده ما از کوکی ها موافقت می کنید. سیاست حفظ حریم خصوصی
رد کردن قبول کنید